產品目錄
中国X站安装
液體流量計
XVDEVIOS最新版APP下载
油流量計
中国XV站APP下载
橢圓齒輪流量計
電磁流量計
渦街流量計
蒸汽流量計
孔板流量計
旋進旋渦流量計
熱式氣體質量流量計
轉子流量計
浮子流量計
靶式流量計
氣體流量計
超聲波流量計
磁翻板液位計
浮子液位計
浮球液位計
玻璃管液位計
雷達液位計
超聲波液位計
投入式液位計
壓力變送器
差壓變送器
液位變送器
溫度變送器
熱電偶
熱電阻
雙金屬溫度計
推薦產品
聯係X站中文免费版
- 金湖X站中文免费版儀表有限公司
- 聯係電話:15195518515
- 在線客服:1464856260
- 電話:0517-86801009
- 傳真號碼:0517-86801007
- 郵箱:1464856260@qq.com
- 網址:http://www.yzyzchina.com
- 地址:江蘇省金湖縣理士大道61號
鹽酸流量計
- 品牌:JKM/X站中文免费版儀表
- 型號:JKM-LDE
- 測量範圍:0.028~205258m³/h
- 精度等級:0.5級、1.0級
- 公稱通徑:DN10~DN2200
- 適用介質:汙水、導電液體
- 工作壓力:1.6~6.3MPa
- 工作溫度:-20~+200℃
- 供電方式:220V 24V 鋰電池
- 訂貨號:ZGKMBXLSQ279
鹽酸流量計產品概述
電磁流量計由傳感器和轉換器兩部分構成。它是基於法拉第電磁感應定律工作的,用來測量電導率大於5μS/cm導電液體的體積流量,是一種測量導電介質體積流量的感應式儀表。除可測量一般導電液體的體積流量外,還可用於測量強酸強堿等強腐蝕液體和泥漿、礦漿、紙漿等均勻的液固兩相懸浮液體的體積流量。由於電磁流量計的優點諸多,因此被廣泛應用於石油、化工、化纖、冶金、輕紡、造紙、製糖、給排水、環保、食品等工業部門及市政管理,水利建設、河流疏浚等領域的流量計量。
鹽酸流量計的測量原理
電磁流量計的工作原理是基於法拉第電磁感應定律。測量管內的導電介質相當於法拉第試驗中的導電金屬杆,上下兩端的兩個電磁線圈產生恒定磁場。當有導電介質流過時,則會產生感應電壓。管道內部的兩個電極測量產生的感應電壓。測量管道通過不導電的內襯(橡膠,特氟隆等)實現與流體和測量電極的電磁隔離,如圖所示。
鹽酸流量計產品特點
1、傳感器結構簡單,測量管內沒有可動部件,也沒有任何阻礙流體流動的節流部件。所以當流體通過流量計時不會引起任何附加的壓力損失,是流量計中運行能耗最低的流量儀表之一。
2、可測量髒汙介質、腐蝕性介質及懸濁性液固相流的流量。這是由於儀表測量管內部無阻礙流動部件,與被測流體接觸的隻是測量管內襯和電極,其材料可根據被測流體的性質來選擇。例如,用聚氟乙烯或四氟乙烯做內襯,可測量各種酸、堿、鹽等腐蝕性介質;采用耐磨橡膠做內襯,就特別適合於測量帶有固體顆粒的、磨損較大的礦漿、水泥漿等液固兩相流以及各種帶纖維液體和紙漿等懸濁液體。
3、電磁流量計是一種體積流量測量儀表,在測量過程中,它不受被測介質的溫度、粘度、密度以及電導率(在一定範圍)的影響。因此隻需經水標定後,就可以用來測量其它導電性液體的流量。
4、輸出隻與被測介質的平均流速成正比,而與對稱分布下的流動狀態(層流或湍流)無關。所以流量計的量程範圍極寬,其測量範圍度可達100:1,有的甚至達1000:1的可運行流量範圍。
5、無機械慣性,反應靈敏,可以測量瞬時脈動流量,也可測量正反兩個方向的流量。
6、工業用電磁流量計的口徑範圍極寬,從幾個毫米一直到幾米,而且國內已有口徑達3m的實流校驗設備,為流量計的應用和發展奠定了基礎。
鹽酸流量計執行標準及技術參數
1 產品執行標準
產品性能符合電磁流量計行業標準 JB/T9248-2008 及 JJG1033-2007 要求。
2 主要技術指標

鹽酸流量計儀表選型
儀表的選型是儀表應用中非常重要的工作,據有關資料統計,儀表在實際應用中有 2/3 的故障是儀表的錯誤選型和錯誤安裝造成的,請特別注意。具體注意事項如下:
1.被測流體名稱和其化學性能。
2.最大流量、最小流量和常用流量。推薦:常用流量應選擇在 1~3m/s 流速段內,如果不符,請用戶調整所選儀表的口徑規格。
3.最高工作壓力。
4.最高工作溫度、最低工作溫度。
5.被測流體必須具備一定的導電性,導電率≥5μs/cm。
6.最大流量和最小流量必須符合表 2-1 的數據。
7.實際最高工作壓力必須小於流量計的額定工作壓力(見傳感器銘牌)。
8.最高工作溫度和最低工作溫度必須符合流量計規定的溫度要求(見傳感器銘牌)。
9.確定是否有負壓情況存在。
10.電極和襯裏材料的選擇應滿足流體介質的化學性能。

鹽酸流量計公稱通徑與流量範圍

鹽酸流量計襯裏的選擇
1、襯裏材料:聚四氟乙烯(F4)
主要性能:是化學性能最穩定的一種塑料,能耐沸騰的鹽酸、硫酸、硝酸和王水,也能耐濃堿和各種有機溶劑。不耐高溫高流速液氟、液氧、自氧的腐蝕。
最高介質溫度一體型:70℃
最高介質溫度分離型:100℃ 150℃ (需特殊訂貨)
適用範圍:1、濃酸、堿等強腐蝕性介質。 2、衛生類介質。
2、襯裏材料:聚全氟乙丙烯(F46)
主要性能:同F4,耐磨性、抗負壓能力高於F4。
最高介質溫度一體型:70℃
最高介質溫度分離型:100℃ 150℃ (需特殊訂貨)
適用範圍:除砂漿等強磨損性介質外的所有流體。與PTFE一樣,能用於飲料等有衛生要求的介質。
3、襯裏材料:聚氟合乙烯(Fs)
主要性能:適用溫度上限較聚四氟乙烯低,但成本也較低。
最高介質溫度一體型:70℃
最高介質溫度分離型:80℃
4、襯裏材料:聚氯丁橡膠
主要性能:1、有極好的彈性,高度的扯斷力,耐磨性能好。2、耐一般低濃度酸、堿、鹽介質的腐蝕,不耐氧化介質的腐蝕。
最高介質溫度一體型:70℃
最高介質溫度分離型:80℃ 120℃ (需特殊訂貨)
適用範圍:水、汙水、弱磨損性的泥漿礦漿。
5、襯裏材料:聚氨酯橡膠
主要性能:1、耐磨性能極強。2、耐腐蝕性能較差。
最高介質溫度一體型:70℃
最高介質溫度分離型:80℃
適用範圍:中性強磨損的礦漿、煤漿、泥漿。
鹽酸流量計電極的選擇
1、電極材料:不鏽鋼0Crl8Nil2M02Ti
耐蝕及耐磨性能:用於工業用水、生活用水、汙水等具有弱腐蝕性的介質,適用於石油、化工、鋼鐵等工業部門及,市政、環保等領域。
2、電極材料:哈氏合金B
耐蝕及耐磨性能:對沸點以下的一切濃度的鹽酸有良好的耐蝕性,也耐硫酸、磷酸、氫氟酸、有機酸等非氯化性酸、堿,非氧化性鹽液的腐蝕。
3、電極材料:哈氏合金C
耐蝕及耐磨性能:能耐非氧化性酸,如硝酸、混酸、或鉻酸與硫酸的混合介質的腐蝕,也耐氧化性鹽類如:Fe,Cu下或含其他氧化劑的腐蝕,如高於常溫的次氯酸鹽溶液、海水的腐蝕。
4、電極材料:鈦
耐蝕及耐磨性能:能耐海水、各種氯化物和次氯酸鹽、氧化性酸(包括發煙硫酸)、有機酸、堿的腐蝕。不耐較純的還原性酸(如硫酸、鹽酸)的腐蝕,但如酸中含有氧化劑(如硝酸、Fc++、Cu++)時,則腐蝕大為降低。
5、電極材料:鉭
耐蝕及耐磨性能:具有優良的耐蝕性和玻璃很相似。除了氫氟酸、發煙硫酸、堿外,幾乎能耐一切化學介質(包括沸點的鹽酸、硝酸和l 50℃以下的硫酸)的腐蝕。在堿中刁;耐蝕。
6、電極材料:鉑/鈦合金
耐蝕及耐磨性能:幾乎能耐一切化學介質,但不適用於王水和銨鹽。
7、電極材料:不鏽鋼塗覆碳化鎢
耐蝕及耐磨性能:用於無腐蝕性,強磨損性的介質。
注: 由於介質種類繁多,其腐蝕性又受溫度、濃度、流速等複雜因素影響而變化,故本表僅供參考。用戶應根據實際情況自己做出選擇,必要時應做擬選材料的耐腐試驗,如掛片試驗。
鹽酸流量計正確選擇安裝位置
正確地選擇安裝位置和正確安裝流量計都是非常重要的環節,若在安裝環節失誤,輕者影響測量精度,重者會影響流量計的使用壽命,甚至會損壞流量計。選擇安裝位置時應注意以下問題:
1.測量電極的軸線必須近似於水平方向(與水平線夾角一般為 10°以內)

2.測量管道內必須完全充滿液體。
3.流量計的前方最少要有 5×D(D 為流量計內徑)長度的直管段,後方最少要有 2×D(D為流量計內徑)長度的直管段。

4.流體的流動方向和流量計的箭頭方向一致。
5.管道內要有真空會損壞流量計的內襯,需特別注意。
6.在流量計附近應無強電磁場,儀表安裝場所的磁場強度應小於 400A/m(避免安裝在大型電機或變壓器等設備附近)。
7.若測量管道有振動,在流量計的兩邊應有固定的支座。
8.測量不同介質的混合液時,混合點與流量計之間的距離最少要有 30×D(D 為流量計內徑)。
9.為方便今後流量計的清洗和維護,應安裝旁通管道。

10.安裝聚四氟乙烯內襯的流量計時,連接兩法蘭的螺栓應注意均勻擰緊,否則容易壓壞聚四氟乙烯內襯,最好用力矩扳手。
11.儀表應避免強烈振動和過大的溫度變化,同時要防止腐蝕性液體的滴漏對儀表造成損害。
12.如果安裝地點易受陽光曝曬,應當增加遮蔽設施。
13.安裝傳感器時,應保證測量管與工藝管道同軸。對 50mm 及以下公稱通徑的傳感器,其軸線偏離不超過 2mm。DN65~DN150 其軸線偏離不超過 3mm,≥DN200 其軸線偏離不超過 4mm。
14.法蘭之間加裝的法蘭墊圈,應有良好的耐腐蝕性能,該墊圈不得伸入管道內部。
15.緊固儀表螺栓、螺母,其螺紋應完整無損,潤滑良好。應依據法蘭尺寸、力矩大小采用力矩扳手緊固螺栓。
16.在傳感器鄰近管道進行焊接或火焰切割時,要采用隔離措施,防止襯裏受熱,且必須確認儀表未通電運行,防止損壞儀表。
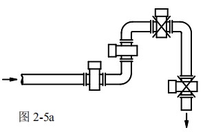
鹽酸流量計安裝方式
應安裝在水平管道較低處和垂直向上處,避免安裝在管道的最高點和垂直向下處。

應安裝在管道的上升處。

在開口排放的管道安裝,應安裝在管道較低處。若管道落差超過 5m,在傳感器的下遊安裝排氣閥且傳感器的下遊應有一定的背壓。

應在傳感器的下遊安裝控製閥和切斷閥,而不應安裝在傳感器上遊。

傳感器絕對不能安裝在泵的進口處,應安裝在泵的出口處。

在測量井內安裝流量計的方式:1.入口 2.溢流管 3. 清洗孔 4.入口柵 5. 短管 6.流量計 7.出口 8.排放閥

